| 型式 | A |
|
TSKB30 |
φ30 |
| TSKB35 | φ35 |
| TSKB40 | φ40 |

| 型式 | φ |
|
TSKBN420 |
4.8 |
| 型式 | ΦD | L |
| TSK650KS | 6.4 | 500 |
| TSK630KS | 300 | |
| TSK620KS | 200 | |
| TSK610KS | 100 | |
| TSK605KS | 50 |
| 型式 | ΦD | L |
| TSK620K | 6.4 | 200 |
| TSK610K | 100 | |
| TSK605K | 50 |

| 型式 | ネジサイズ |
| TSKNM6 | M6 |
| TSKNM8 | M8 |
| 型式 | 丸端子サイズ | ΦD |
| TSKMM4 | M4 | 4.3 |
| TSKMM5 | M5 | 5.3 |
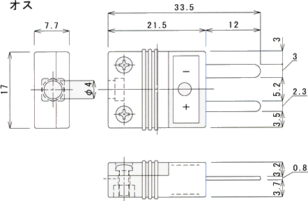
・コネクタ(Kタイプ)型式:CK1



2014 ©JUST CO.,LTD.